


Riferimento: FK016
Avvisatore acustico di carica insufficiente per batterie da 12V
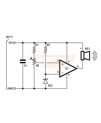
Questo avvisatore acustico di carica insufficiente ti offre una soluzione affidabile per monitorare la carica della batteria del tuo veicolo. L’avvisatore acustico emette un segnale sonoro quando la tensione scende al di sotto del livello da te impostato. Con la possibilità di regolare la soglia di tensione grazie al trimmer a bordo, è la scelta ideale per auto, camper e altri veicoli con batterie da 12V.
È possibile impostare il dispositivo in modo che emetta un suono quando la tensione della batteria scende al di sotto di un certo livello di tensione. Ciò viene reso possibile agendo sul trimmer a bordo. In generale, si consiglia di impostare la soglia in modo che suoni quando la tensione scende sotto gli 11,5V, il che indica che la batteria è quasi scarica.
Specifiche tecniche:
Tensione di alimentazione:
deve essere collegato alla batteria di auto o camper con una tensione di 12V.
Assorbimento di corrente: 15 mA.
Soglia di tensione di allarme: impostabile tra 0V e 11,7V.
Avviso con allarme acustico: il dispositivo emette un segnale acustico per mezzo di un cicalino piezo.